Trong các thành phần của hệ thống thủy lực, van tiết lưu là thiết bị được sản xuất với mục đích điều tiết lưu lượng của dòng chảy trong nhánh. Dòng chảy có thể được điều chỉnh vô cấp thông qua lỗ phun nằm bên trong van. Xét về chủng loại thì có rất nhiều dòng van và cũng có rất nhiều nhà sản xuất van tiết lưu.
Việc điều tiết lưu lượng qua van thì chỉ đơn giản là chỉnh kích thước của lỗ phun hoặc là độ mở 1 đĩa, 1 đầu chặn hoặc 1 thành phần có lỗ khoan để giới hạn lưu lượng chảy qua. Lưu lượng đi qua sẽ phụ thuộc vào kích thước của lỗ mở và áp suất trên đường ống. Sẽ có sự sụt áp trong quá trình dòng chảy đi qua van. Mức độ sụt áp sẽ tùy thuộc vào kích thước lỗ phun và sự sụt áp này có thể được tính toán bởi yếu tố áp suất và lưu lượng.

Độ sụt áp khi qua van thường sẽ được cung cấp bởi nhà sản xuất
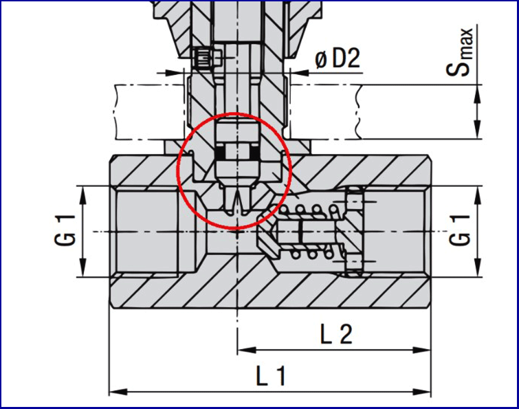
Đối với các ứng dụng cần thay đổi tốc độ làm việc của cơ cấu khi vận hành thì van tiết lưu dạng lỗ phun cho phép tiết lưu vô cấp là loại tối ưu nhất. Trên thực tế thì chúng ta cũng có thể sử dụng nhiều phương thức khác nhau để chỉnh tốc độ vận hành này, nhưng việc sử dụng van tiết lưu vẫn là phương pháp tối ưu nhất. Van tiết lưu dạng in-line cấu tạo lỗ phun là 1 đầu bịt với lỗ hổng hình nón ( vòng tròn đỏ ở hình dưới).

Nó được nối với núm vặn phía trên và khi chúng ta điều chỉnh núm vặn (siết chặt hoặc nới lỏng) thì nó sẽ thay đổi khoảng hở của đầu phun. Qua đó điều chỉnh dòng chảy đi qua van.
>> Xem thêm: Van Thuỷ Lực Và Cách Phân Loại Van Thuỷ Lực
Van tiết lưu 2 chiều có thêm 1 van đi tắt hay (chức năng như là van một chiều). Van đi tắt này sẽ cho dòng chảy không tiết lưu ở chiều đi và chặn dầu ở chiều về hoặc ngược lại.
Van tiết lưu sẽ thường được lắp ở cổng làm việc của xy lanh. Sự bố trí cổng vào/ra của van tương ứng với hướng chặn của van đi tắt sẽ cho chúng ta hai ứng dụng là Meter-in và Meter-out. Meter out cho các ứng dụng xy lanh nâng hạ theo chiều thẳng đứng. Và meter in cho các ứng dụng xy lanh kẹp theo chiều nằm ngang.

Van điều khiển lưu lượng vẫn sẽ có sự sai lệch do áp suất thay đổi. Ví dụ như là khi áp suất ở sau van tăng lên sự chênh áp giữa áp suất ở 2 đầu van giảm đi. Việc giảm chênh áp sẽ làm lưu lượng dòng chảy bị giảm đi.
Để hạn chế dao động áp suất do tải, một số van tiết lưu sẽ có thêm chức năng bù áp. Bộ bù áp này duy trì mức rơi áp bằng cách dựa theo sự chênh áp ở 2 đầu van. Nó sẽ trích đường tín hiệu để thay đổi kích thước lỗ phun và duy trì lưu lượng dòng chảy mong muốn. Chúng có thể cung cấp tốc độ dòng chảy ổn định bất chấp sự biến động về áp suất giữa hai đầu van.

Nguyên lý làm việc của van tiết lưu có cân bằng áp
Trên đây là một số thông tin về van tiết lưu. Hy vọng những thông tin mà B2bmart.vn tổng hợp được sẽ giúp bạn có những kiến thức hữu ích để nâng cao, hiệu suất làm việc và tinh giản hóa hệ thống thủy lực của chúng ta.