Hôm nay B2bmart tiếp tục giới thiệu đến các bạn đọc về: Khi nào và làm thế nào để điều chỉnh một Bơm thủy lực bù áp thủy lực cảm nhận tải trên máy ép thủy lực?
Bơm có thể thay đổi lưu lượng riêng được sử dụng trong các hệ thống thủy lực có yêu cầu về lưu lượng khác nhau. Điều này thường có nghĩa là hệ thống có một số cơ cấu chấp hành và, tùy thuộc vào chu kỳ hiện tại của máy, số lượng cơ cấu truyền động chuyển động tại một thời điểm nhất định sẽ dao động. Loại bơm biến thiên phổ biến nhất là bơm bù áp.

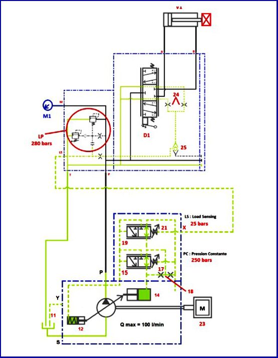
Hình 1. Cấu hình loại bơm bù áp

Hình 2. Khi áp suất hệ thống vượt quá mức cài đặt thì tác động lên van biến thiên theo tải và áp suất làm giảm hành trình của bơm, áp suất rơi xuống giá trị cài đặt lần 300 psi

Hình 3. Khi áp suất hệ thống vượt quá mức cài đặt thì tác động lên van bù áp làm giảm hành trình của bơm đến chính xác lưu lượng cần thiết theo áp suất cài đặt van bù áp
Bơm thủy lực bù áp được thiết kế để chỉ cung cấp lưu lượng theo yêu cầu của hệ thống nhằm tối đa hóa hiệu quả và tránh sinh nhiệt. Bộ bù được điều chỉnh đến áp suất cao hơn một chút so với áp suất cần thiết để dịch chuyển tải nặng nhất của hệ thống.
Bơm bù áp sẽ cung cấp lưu lượng tối đa cho đến khi áp suất hệ thống đạt đến cài đặt bù áp. Sau khi đạt đến cài đặt bộ bù áp, bơm chỉ cung cấp lượng lưu lượng duy trì cài đặt bộ bù trong đường ống
Bất cứ khi nào hệ thống yêu cầu thêm lưu lượng (chẳng hạn như sẽ xảy ra khi một bộ truyền động bổ sung bắt đầu làm việc), Bơm thủy lực bù áp sẽ tăng hành trình của nó để đáp ứng nhu cầu lưu lượng mới. Bất cứ khi nào lưu lượng hệ thống cần giảm (chẳng hạn như khi dừng một hoặc nhiều bộ truyền động), hành trình bơm sẽ giảm.
Khi hệ thống dừng hoàn toàn, hành trình bơm giảm gần như bằng không. Nó sẽ chỉ sử dụng một lượng rất nhỏ hoặc bất cứ thứ gì cần thiết để duy trì cài đặt bộ bù trong đường ống , khắc phục bất kỳ lỗi nào của hệ thống bị bỏ qua hoặc rò rỉ. Trong khi một Bơm thủy lực bù áp hoạt động hiệu quả, thì áp suất dự phòng vẫn ở mức cao.
Việc điều chỉnh Bơm thủy lực bù áp khá đơn giản. Khi tất cả lưu lượng bị chặn và hệ thống không hoạt động, van bù được điều chỉnh đến áp suất mong muốn. Tuy nhiên, một số bơm thủy lực bù áp có gắn hai van trên thân bơm.
Hai điều chỉnh có thể trông gần giống nhau. Loại bơm này được gọi là Bơm thủy lực bù áp biến thiên tải. Điều chỉnh thứ hai được gọi là van “biến thiên theo tải” hoặc van “bù lưu lượng”.
Bất cứ khi nào hệ thống chuyển tải, việc điều chỉnh áp suất cao sẽ giới hạn áp suất của hệ thống. Ví dụ, khi một xi lanh được kéo dài, áp suất trong hệ thống sẽ tăng lên khi cần thiết để dịch chuyển tải. Cuối cùng, xi lanh đạt đến cuối hành trình của nó và lưu lượng bị chặn.
Khi lưu lượng bị chặn theo cách này, áp suất của hệ thống có thể không cao hơn mức cài đặt của bộ bù, nhưng cho đến khi phải dịch chuyển một tải khác, không cần phải giữ áp suất hệ thống quá cao.
Hầu hết các hệ thống cảm nhận tải đều có một loại van điều khiển hướng tải bơm có thể đặt hệ thống ở trạng thái không tải cho đến khi cần dịch chuyển một tải khác. Khi van điều khiển bơm mang tải của Bơm thủy lực bù áp được dịch chuyển, áp suất hệ thống giảm xuống mức cài đặt van cảm nhận tải thấp hơn nhiều.
Van cảm nhận tải (LS van) thường nhỏ hơn van bù áp và thường được gắn trực tiếp trên đầu bơm. Van cảm nhận tải được cài đặt sẵn tại nhà máy và thường không cần điều chỉnh trong quá trình cài đặt bơm thủy lực bù áp ban đầu. Trong hầu hết các bơm này, giá trị đặt trước của nhà sản xuất là khoảng 200-300 (psi).
Lý do phổ biến nhất để điều chỉnh LS van là do nhiều người không quen với bơm thủy lực bù áp đã nhầm cố gắng đặt áp suất hệ thống tối đa bằng cách điều chỉnh van LS thay vì bộ bù. Điều này dẫn đến áp suất hệ thống không ổn định mà trong một số trường hợp còn có thể làm mất hiệu lực bảo hành đối với bơm.

Hình 4. Mặt cắt ngang bơm bù áp
Cấu hình điển hình của bơm bù áp được thể hiện trong Hình 1 và 4. Van điều khiển bơm mang tải của bơm được sử dụng để xác định xem hệ thống đang ở chế độ không tải hay chuẩn bị dịch chuyển tải. Van điều khiển bơm mang tải bơm này được ngắt điện bất cứ khi nào hệ thống không hoạt động.
Sau đó, áp suất thí điểm ở phía bên trái của van LS sẽ được xả xuống thùng dầu. Đường điều khiển ở phía bên phải của van cảm nhận tải được kết nối với đường áp suất ở đầu ra của máy bơm. Áp suất hệ thống dịch chuyển van cảm nhận tải và hướng áp suất để giảm hành trình bơm để áp suất hệ thống giảm xuống mức cài đặt cảm nhận tải là 300 psi, như minh họa trong Hình 2.
Khi một tải nâng được di chuyển, van không tải của Bơm thủy lực bù áp được cấp điện. Điều này hướng áp suất điều khiển sang phía bên trái của van biến thiên theo tải, giữ cho nó không bị dịch chuyển. Áp suất hệ thống dịch chuyển van bù để khử hành trình của bơm chính xác mức cần thiết để giới hạn áp suất hệ thống đến cài đặt bù, 3.000 psi như thể hiện trong hình 3.
Để thực hiện cài đặt áp suất, luôn luôn điều chỉnh van cảm nhận tải trước(chi tiết số 21 trên hình 4). Bơm sẽ bị chết bằng cách đóng van tay bằng tay. Với van điều khiển bơm mang tải của Bơm thủy lực bù áp không được cấp điện, áp suất sẽ chỉ xây dựng theo cài đặt hiện tại của van biến thiên theo tải. Điều chỉnh van biến thiên theo tải ( LS van) đến áp suất mong muốn.
Sau khi van cảm nhận tải được đặt, hãy cấp điện cho van tải của máy bơm. Áp suất hệ thống sau đó sẽ xây dựng đến cài đặt bộ bù hiện tại. Điều chỉnh bộ bù đến cài đặt mong muốn. Mở van bằng tay và hệ thống có thể được đưa vào hoạt động trở lại.
Có một số biến thể của thiết kế này. Đôi khi một van tiết lưu sẽ được sử dụng để xác định xem có tải hay không. Sự giảm áp suất xảy ra khi dầu dịch chuyển qua van tiết lưu báo hiệu yêu cầu áp suất hệ thống cao hơn.
Một biến thể phổ biến khác là sử dụng van LS kết hợp với van giảm áp mắc nối tiếp. Sau đó, áp suất chờ sẽ được xác định bằng tổng của áp suất cảm nhận tải và cài đặt điều khiển điện tử của tỷ lệ giảm áp.
Trong những cách sắp xếp phức tạp hơn như thế này, các van tay phải được lắp đặt để có thể mở hoặc đóng vào đầu van LS và cũng để xả áp suất của nó vào thùng dầu để có thể cài đặt áp suất.
Bất cứ khi nào hệ thống chuyển tải, việc điều chỉnh áp suất cao sẽ giới hạn áp suất của hệ thống. Ví dụ, khi một xi lanh được kéo dài, áp suất trong hệ thống sẽ tăng lên khi cần thiết để dịch chuyển tải. Cuối cùng, xi lanh đạt đến cuối hành trình của nó và lưu lượng bị chặn.
Khi lưu lượng bị chặn theo cách này, áp suất của hệ thống có thể không cao hơn mức cài đặt của bộ bù áp, nhưng cho đến khi phải dịch chuyển một tải khác, không cần phải giữ áp suất hệ thống quá cao.
Hầu hết các hệ thống cảm nhận tải đều có một loại van điều khiển hướng tải bơm có thể đặt hệ thống ở trạng thái không tải cho đến khi cần dịch chuyển một tải khác. Khi van điều khiển bơm mang tải của bơm được dịch chuyển, áp suất hệ thống giảm xuống mức cài đặt van cảm nhận tải thấp hơn nhiều.
LS van thường nhỏ hơn van bù và thường được gắn trực tiếp trên đầu của bộ bù. Van bù gần Bơm thủy lực bù áp hơn. Van cảm nhận tải được cài đặt sẵn tại nhà máy và thường không cần điều chỉnh trong quá trình cài đặt bơm này ban đầu. Trong hầu hết các bơm, giá trị đặt trước của nhà máy là khoảng 200-300 pound trên inch vuông (psi).
Lý do phổ biến nhất để điều chỉnh van cảm nhận tải là do ai đó không quen với Bơm thủy lực bù áp đã nhầm cố gắng đặt áp suất hệ thống tối đa bằng cách điều chỉnh van cảm nhận tải thay vì bộ bù. Điều này không chỉ có thể dẫn đến áp suất hệ thống không ổn định mà trong một số trường hợp còn có thể làm mất hiệu lực bảo hành đối với máy bơm.
Cấu hình điển hình của bơm bù áp được thể hiện trong hình 1. Van điều khiển bơm mang tải của bơm được sử dụng để xác định xem hệ thống đang ở chế độ không tải hay chuẩn bị dịch chuyển một tải. Van điều khiển bơm mang tải Bơm thủy lực bù áp được ngắt điện bất cứ khi nào hệ thống không hoạt động.
Sau đó, áp suất thí điểm ở phía bên trái của van LS sẽ được xả xuống thùng dầu. Đường điều khiển ở phía bên phải của van cảm nhận tải được kết nối với đường áp suất ở đầu ra của máy bơm. Áp suất hệ thống dịch chuyển van cảm nhận tải và hướng áp suất để giảm hành trình bơm để áp suất hệ thống giảm xuống mức cài đặt cảm nhận tải là 300 psi, như minh họa trong Hình 2.
Khi một tải trọng được di chuyển, van mang tải PL van được cấp điện. Điều này hướng áp suất điều khiển sang phía bên trái của van cảm nhận tải, giữ cho nó không bị dịch chuyển. Áp suất hệ thống dịch chuyển van bù để xả hành trình bơm chính xác mức cần thiết để giới hạn áp suất hệ thống đến cài đặt bù. Bạn đọc của B2bmart.vn có thể xem thêm mạch sau để hiểu hơn về cách điều chỉnh bơm bù áp thủy lực cảm nhận tải trên máy ép thủy lực.
